
磁珠(Ferrite Bead)基础知识
磁珠(Ferrite Bead)基础知识
磁珠是EMC工程师常用的滤波器件,用来抑制电路中的高频噪声。磁珠的主要成分是铁氧体材料,铁氧体是一种立方晶格结构的亚铁磁性材料,铁氧体材料分为铁镁合金或者铁镍合金,制造工艺和机械性能与陶瓷相似,颜色为黑色,也称为铁氧体磁珠。
图1:插件铁氧体磁珠
1.1、磁珠的工作原理
磁珠主要用于抑制信号线、电源线上的高频噪声和尖峰干扰,具有吸收瞬态高频脉冲的能力。在低频段,磁芯的磁导率很高,电感量较大,主要是电感成分在起作用,电磁干扰噪声被反射回到源端,此时磁珠就类似一个低损耗,高Q值的电感。在高频段,阻抗主要由电阻成分构成,随着频率升高磁芯的磁导率降低,导致感性成分降低,电感量下降,而磁芯的损耗增加,电阻成分变大,阻抗增加,当高频电流流过铁氧体磁珠时,通过电阻成分转化为热能消耗掉。
图2:磁珠的电路符号
1.2、磁珠的内部结构
磁珠由线圈、铁氧体磁芯、外面的镀层、封装构成,片状铁氧体磁珠的典型结构如下图所示:磁珠从结构上跟电感基本相似,主要是磁芯、线圈的匝数上差异。
图3:片状铁氧体磁珠的典型结构(传统型)
1.3、磁珠的分类
磁珠根据使用的磁芯材料不同、封装结构不同、应用场合不同等分类
根据封装结构分类
根据磁珠的封装分为:贴片磁珠、插件磁珠。贴片磁珠又分为单体贴片磁珠、磁珠排,根据绕线方式分为片状磁珠、绕线磁珠。插件磁珠分为穿心磁珠、普通插件磁珠等。

图4:贴片绕线磁珠 图5:贴片片式磁珠

图6:贴片磁珠排 图7:贴片单体磁珠
根据使用材料分类
根据磁珠制造的铁氧体材料不同分为:铁镁合金磁珠、铁镍合金磁珠。不同的铁氧体材料磁导率μ和磁通密度BS参数影响磁珠的频率特性。
根据磁珠的应用场合分类
根据磁珠的应用场合,大致可将磁珠分为普通型、大电流型、尖峰型等。
普通型:普通型磁珠用于电流不太大(一般小于600mA),无特殊要求的场合,它的直流电阻一般为零点几欧姆,阻抗范围一般为几十欧姆到几千欧姆之间,能有效抑制、吸收噪声干扰。
大电流型:大电流型磁珠应用于电流较大的场合,应用于电流场合磁珠要求直流电阻必须很小,约小于普通型磁珠一个量级,阻抗一般也较小,阻抗范围通常是几欧姆到几十欧姆之间。
尖峰型:此型号磁珠特性为某一个频率范围内其阻抗急剧上升,从而在特定频率获得较高的衰减效果而对有用信号的影响较小根据磁珠制造的铁氧体材料不同分为:铁镁合金磁珠、铁镍合金磁珠。不同的铁氧体材料磁导率μ和磁通密度BS参数影响磁珠的频率特性。
图8:尖峰型磁珠的阻抗曲线
1.4、磁珠的主要参数
磁珠的主要参数包含:阻抗、直流电阻(DCR)、额定电流、谐振频率、损耗等。
阻抗
磁珠阻抗是在特定条件下(100MHz频率)测得,常见标识为600ohm@100MHz,表示磁珠在100MHz频率下,阻抗是600ohm。通常是阻抗越大,对噪声的抑制效果越好,阻抗越大,噪声通过时产生的热量就越大。
磁珠阻抗用100MHz频率下测试结果表示,是业界认同的标准,磁珠阻抗并不是固定的,是随着频率的变化,以及随着电流的变化阻抗都会相应的发生变化,磁珠阻抗是交流阻抗。
直流电阻(DCR)
直流电流通过磁珠时,磁珠呈现的电阻值,磁珠的直流电阻是越小越好,越小在磁珠上产生的压降就越小,对有用信号的衰减也越小。磁珠的直流电阻由导线长度、绕线线径、封装共同决定。
额定电流(IRAT)
额定电流是磁珠关键参数之一,指电路正常工作时允许通过磁珠的最大电流。磁珠的直流电阻会产生损耗而发热,磁珠能通过的最大电流,可以理解为有效值,它指温升电流,自我温升不超过20—40℃(不同厂家有差别)。
额定电流与温度的关系曲线
图6:额定电流与温度关系曲线
由上图可知,当磁珠的温度超过85℃时,它的额定电流也会急剧下降,使用磁珠时应关注磁珠的温度做降额使用。
偏置电流对磁珠的影响
随着偏置电流的增大,磁珠材料会出现饱和特性,导致铁氧体磁珠电感下降,电感的饱和程度根据磁芯材料不同。直流偏置电流的影响可通过不同频率下阻抗值的减少来确定,阻抗降低意味着噪声抑制能力的下降,下图显示铁氧体磁珠阻抗如何随着直流偏置电流的变化而改变。
图7:偏置电流与阻抗关系曲线
磁珠的损耗
磁珠的损耗主要为铁芯损耗,铁芯损耗=磁滞损耗+涡流损耗。磁滞损耗:铁磁材料在交变磁场作用下反复磁化时,内部磁畴不停的往返倒转而消耗能量,产生损耗,这种损耗称为磁滞损耗,磁滞损耗和磁场交变频率及磁滞回线的面积成正比。
涡流损耗:铁磁滞材料中的磁通交变时,会感应电动势和电流,电流呈旋涡状,称为涡流电流,涡流在铁磁材料的内部电阻上产生损耗,称为涡流损耗
图8:磁珠损耗示意图
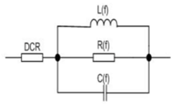
1.5、磁珠等效电路
磁珠的等效电路是一个直流电阻(DCR)串联一颗电感、电容、电阻的并联,其中并联的电阻、电容、电感都是频率的函数,感抗、容抗受工作频率影响很大。
当磁珠工作频率低于自谐振频率时,磁珠呈现电感特性;当磁珠工作频率等于自谐振频率时,磁珠是纯电阻特性,阻抗最大;当磁珠工作频率高于自谐振频率时磁珠呈现容性。